Разработка основных технических решений, технических проектов, проектной и рабочей документации

Наша цель - создание и внедрение передовых технических решений в области проектирования, изготовления и строительства изотермических и шаровых резервуаров для хранения сжиженных газов, обеспечивая высокий уровень промышленной безопасности и поддерживая отечественную инженерную и производственную базу.

Разработка основных технических решений, технических проектов, проектной и рабочей документации

Мы создаем технические решения для изотермических резервуаров, учитывая их сложность и специфику. Наши проекты и рабочая документация разрабатываются в строгом соответствии с современными стандартами.

Разработка основных технических решений, технических проектов, проектной и рабочей документации

Конструкторская документация (КД) - документация, разрабатываемая на конкретное изделие/оборудование перед началом его производства и эксплуатации на объекте. Поэтому она является основополагающей для заводов-производителей, так как именно по ней изготавливается то или иное оборудование, которое было подобрано для конкретного объекта на стадии базового инжиниринга.

Инженерно-конструкторский отдел Саратовского резервуарного завода разрабатывает конструкторскую документацию в соответствии с ГОСТ 2.103-2013 "Единая система конструкторской документации (ЕСКД). Стадии разработки"*. Выполнение конструкторской документации осуществляется как в составе комплексных работ по проектированию и строительству объектов нефтегазовой отрасли, так и отдельно при заказе оборудования производства САРРЗ.

Процесс разработки КД начинается с получения технического задания, в котором указываются основные требования к оборудованию, условия эксплуатации и другая информация, которая существенно влияет на устройство, конструкцию и работу изделия.

Стадии и этапы разработки конструкторской документации

ГОСТ 2.103-2013 регламентирует разработку основных видов конструкторской документации: проектной и рабочей.

Проектная конструкторская документация состоит из:

  • разработки технического предложения на основе рассмотрения и изучения результатов проектной документации, а именно, технического задания, используемых материалов и других требований к изделию;
  • разработки эскизного проекта, когда происходит изготовление и исследование материального или электронного макета изделия на его работоспособность и соответствие техническому заданию; содержит конструктивные решения о назначении, устройстве, размерах, работе и других параметрах;
  • разработки технического проекта с созданием необходимых макетов для исследования; содержит окончательные технические решения на изделие, которые необходимы для разработки рабочей конструкторской документации.

Каждый проект (техническое предложение, эскизный и технический проект) принимается и утверждается конструкторским отделом и заводом-производителем.ого состава работ.

Этапами создания рабочей конструкторской документации является разработка КД:

  • опытного образца (опытной партии) изделия для изготовления, предварительного испытания, корректировки, приемочных испытаний после внесенных корректировок опытного образца или партии изделий;
  • на изделие серийного (массового) производства для производства и проведения испытаний оборудования;
  • на изделие единичного производства с целью производства и проведения испытаний оборудования по индивидуальному заказу.

Необходимость проектирования конструкторской документации= по стадиям и этапам КД или в совокупности определяется техническим заданием Заказчика. Поэтому стоимость и сроки разработки КД зависят от заказанного состава работ.

Документы и комплектность конструкторской документации

Содержание, комплектность и оформление конструкторской документации зависит от заказанного объема работ и специфики производимого оборудования.

Вне зависимости от стадии конструкторская документация содержит графические и текстовые документы. Первые включают в себя чертеж изделия, сборочный, габаритный, монтажный, электромонтажный, упаковочный чертеж, чертеж общего вида, схему, модель и структуру оборудования. Текстовая часть КД состоит из пояснительной записки, таблиц, расчетов, инструкций, технических условий, спецификаций и ведомостей различного назначения.

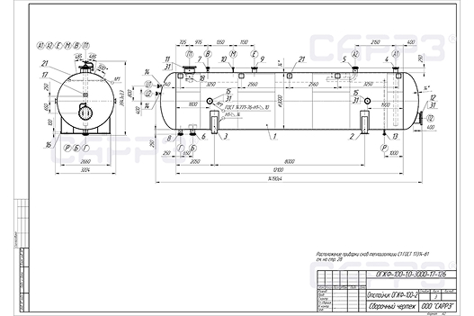
Пример выполненного сборочного чертежа горизонтального отстойника нефти ОГЖФ

Правила оформления конструкторской документации регламентируются следующими нормативными стандартами:

  • ГОСТ 2.001-2013 "Единая система конструкторской документации (ЕСКД). Общие положения";
  • ГОСТ 2.102-2013 "Единая система конструкторской документации. Виды и комплектность конструкторских документов";
  • ГОСТ Р 2.002-2019 "Единая система конструкторской документации. Требования к моделям, макетам и темплетам, применяемым при проектировании";
  • ГОСТ 2.052-2015 "Единая система конструкторской документации. Электронная модель изделия. Общие положения";
  • ГОСТ 2.118-2013 "Единая система конструкторской документации. Техническое предложение";
  • ГОСТ 2.119-2013 "Единая система конструкторской документации. Эскизный проект";
  • ГОСТ 2.120-2013 "Единая система конструкторской документации. Технический проект";
  • ГОСТ Р 2.601-2019 "Единая система конструкторской документации (ЕСКД). Эксплуатационные документы";
  • ГОСТ 2.602-2013 "Единая система конструкторской документации. Ремонтные документы";
  • ГОСТ 2.109-73 "Единая система конструкторской документации (ЕСКД). Основные требования к чертежам";
  • ГОСТ 2.701-2008 "Единая система конструкторской документации (ЕСКД). Схемы. Виды и типы. Общие требования к выполнению";
  • ГОСТ 2.410-68 (СТ СЭВ 209-75, СТ СЭВ 366-76) "Единая система конструкторской документации (ЕСКД). Правила выполнения чертежей металлических конструкций (с Изменением №1)" и др.*;

Преимуществом создания конструкторской документации конструкторским отделом САРРЗ является тесное сотрудничество инженеров-конструкторов с производством, что приводит к изготовлению оборудования в точном соответствии с требованиями Заказчиков, с учетом специфики оборудования и его эксплуатации для выхода на максимально эффективную производительность на объекте.

Заказать услугу